ул. Моторная, 9г
volgograd@kotel-kv.ru
8 (800) 551-70-98
Бесплатно по России
Видео
Фото
Чертеж
Подберите необходимую мощность котельной в несколько кликов!
Подбор котла
Уточните ваш запрос, если товар не подходит

Блочно-модульная котельная 1 МВт в Волгограде

Продукция больше не производится

Водогрейная блочно модульная котельная общей установленной мощностью 1 МВт на твердом топливе угле в Волгограде. Комплектация - 2 котла КВ 500 кВт с ручными топками, двухконтурная с ГВС теплообменниками, 1 категории надежности по отпуску тепла, 1 категории по электроснабжению, с бытовыми помещениями.

Технические характеристики
Комплект поставки
Отзывы
Назначение Отопительная котельная Максимальное рабочее давление воды, не более, МПа 0.6
Тип котельной по типу теплоносителя водогрейная Исходная вода из хозяйственного питьевого водопровода: давление на входе в котельную, не менее, МПа 0.2
Общая установленная тепловая мощность, кВт 1000 Расход исходной воды, не более, т/ч 3.6
Категория котельной по надежности теплоснабжения II Расход подпиточной воды, не более, т/ч 2
Общая установленная тепловая мощность, МВт 1 Время растопки, не более, ч 1
Расчетная тепловая мощность котельной, кВт 1000 Напряжение присоединяемой электросети, В 380/220
Установленные котлы, марка КВр-0.5 К Установленная мощность электроприемников, кВт 37.3 (точный расчет после проектирования)
Количество котлов 2 Рабочая мощность электроприемников, кВт 20.8 (точный расчет после проектирования)
Наличие ГВС (подогрев воды для горячего водоснабжения) Да Время срабатывания защитных устройств, не более, с 2
Наличие бытовых помещений в котельной Да Категория котельной по надежности электроснабжения I
Вид топлива, основной Твердое, уголь Габариты здания котельной в рабочем положении, не более, длина, ширина, высота, м 10×4.52×2.7
Расход топлива расчетный, не более, кг/ч 200 Труба дымовая диаметр, мм 400
КПД, не менее, % 80 Труба дымовая высота, м 21.375
Диапазон регулирования, % 25-100 Вид топки Ручная колосниковая / ОУР
Температура исходной воды, не менее, С° 5 Тип топливоподачи и шлакоудаления ручная
Температура перед котлом, не менее, С° 70 Марка котельной БМК 1
Температура воды на выходе из котельной в тепловые сети, не более, С° 95,115 Марка БМК
Температура воды на выходе из котельной в тепловую сеть ГВС, не более, С° 65
Об этом товаре еще нет отзывов. Будьте первым!
Оставьте ваш отзыв
Блочно-модульная котельная 1 МВт
Монтаж блочной-модульной котельной 1 МВт
Производство модульной котельной 1 МВт на заводе
Котельный зал в блочно-модульной котельной 1 МВт
Котлы КВр в модульной котельной 1 МВт
Твердотопливные котлы в МКУ
Система горячего водоснабжения в блочной котельной 1 МВт
Автоматика котлов в БМК
Раздевалка для персонала котельной
Санузел котельной
Щит управления насосами и вентиляцией БМК 1 МВт
Силовая автоматика котельной и щиты с частотными приводами насосов
Электрощитовая котельной 1 МВт
Электрощитовая в модульной котельной БМК
Распределительные щиты блочной котельной
Противопожарная стена блочно-модульной котельной МКУ 1 МВт
Закрытый угольный склад твердотопливной модульной котельной

Блочно-модульная котельная 1 МВт

Монтаж блочной-модульной котельной 1 МВт

Производство модульной котельной 1 МВт на заводе

Котельный зал в блочно-модульной котельной 1 МВт

Котлы КВр в модульной котельной 1 МВт

Твердотопливные котлы в МКУ

Система горячего водоснабжения в блочной котельной 1 МВт

Автоматика котлов в БМК

Раздевалка для персонала котельной

Санузел котельной

Щит управления насосами и вентиляцией БМК 1 МВт

Силовая автоматика котельной и щиты с частотными приводами насосов

Электрощитовая котельной 1 МВт

Электрощитовая в модульной котельной БМК

Распределительные щиты блочной котельной

Противопожарная стена блочно-модульной котельной МКУ 1 МВт

Закрытый угольный склад твердотопливной модульной котельной

Блочно модульная котельная 1 МВт на твердом топливе - каменном и буром угле

Строительство блочно модульной котельной на твердом топливе – простое и эффективное решение задачи теплоснабжения различных объектов. Изготовление и производство модульных котельных осуществляется по техническому заданию на заводе. На объекте производится сборка блок модулей, электрики, системы вентиляции и дымоудаления, проводятся пусконаладочные работы.

Ниже приведен один из вариантов комплектации котельной установки 1 МВт на угле:
  • Ι категории (с резервированием оборудования);
  • с 2 котлами КВр 0,5 МВт;
  • с ГВС;
  • с бытовыми помещений.

Наш завод также производит блочно модульные котельные 1 МВт МВт без ГВС, без бытовых помещений, с одним котлом 1 МВт, без резервирования оборудования. Стоимость водогрейной модульной котельной при составлении технического задания для вашего объекта уточняется. Опросный лист для составления технического задания можно скачать по ссылке, если у вас возникли вопросы по его заполнению или вам нужна консультация, чтобы определится с комплектацией, обращайтесь к специалистам нашего завода.

Посмотреть виртуальный 3Д тур по модульной котельной нашего завода

Что нужно учесть приобретая блочно модульную котельную 1 МВт установку на твердом топливе

Если вы решили купить блочно модульную котельную 1 МВт в Волгограде и при ее размещении на вашем объекте нужно предусмотреть:

  • место для устройства угольного склада или открытой площадки для его хранения;
  • временное хранилище золы и шлака;
  • подъездные пути для автомобилей;
  • действующие противопожарные нормы, расположить ее с соблюдением противопожарных разрывов или установить противопожарнуюю стену.

На размещение оборудования внутри блок модулей может влиять расположение тепловых сетей и коммуникаций. Для избежания возможных нестыковок при монтаже, рекомендуем вам перед началом работы по проектированию модульной котельной предоставить на завод изготовитель ситуационный план размещения объекта. Мы расположим оборудование так, чтобы вы избежали лишних работ по подведению коммуникаций на месте.

Наш завод предоставляет с котельной паспорт и руководство по эксплуатации, а также проект на модульную котельную.

Оборудование блочно модульной котельной 1 МВт

Чертежи блочно модульной котельной 1 МВт Чертеж блочно-модульной котельной 1 МВт Водогрейная блочная модульная котельная 1 МВт на твердом топливе угле состоит из 2-х транспортабельных блок модулей размерами 1 МВт0*2260*2700 мм установленным и соединенным оборудованием. В комплект также входят газоходы, дымовая труба, дымососы,  золоуловители, опорные конструкции и тепловая изоляция.

Отапливаемая площадь* блочной водогрейной котельной мощностью 1 МВт от 21 МВт до 31 МВт м3, отапливаемый объем* от 6900 до 1 МВт0 м3 (* диапазоны для самого холодного и самого теплого региона России)). Проверить или подобрать мощность в Волгограде вы можете по ссылке.

Блок модуль с установленным технологическим оборудованием штук 4
Водогрейный котел КВр-500 кВт штук 2
Дымосос ДН 3.5 с дв.3/1500 об/мин штук 1
Вентилятор поддува котла штук 1
Всасывающий карман дымососа штук 1
Сетевой насос WILLO-BL 40/140-4/2; э.дв. 4 кВт штук 2
Подпиточный Насос WILLO-Economy MHI 203 3~400; э.дв. 0,55 кВт штук 2
Насос ГВС штук 2
Пластинчатый теплообменник ГВС штук 2
Пластинчатый теплообменник сетевого контура штук 2
Золоуловитель ЗУ штук 1
Бак запаса воды  штук 1
Водоподготовка типа Комплексон штук 1
Мембранный бак  штук 1
Запорная арматура и КИП в пределах котельной комплект 1
Автоматика котельной комплект 1
Внутреннее и внешнее освещение котельной комплект 1
Фильтры сетчатые штук 2
Приточная вентиляция комплект 1
Пожарная сигнализация штук 1
Газоходы с изоляцией комплект 1
Дымовая труба на растяжках Ду 400 мм высотой 21 м штук 1

Здание блочно модульной котельной

Здание модульной котельной изготавливается в соотвествии со следующими требованиями:

  • категория здания котельной по взрывопожарной и пожарной опасности в соответствии с НПБ 105-95 - Г.
  • степень огнестойкости здания котельной в соответствии со СНиП 31-03-2001 - ΙΙ.
  • класс конструктивной пожарной опасности - С0.

На месте здание блочно модульной котельной 1 МВт на твердом топливе собирается из блок модулей.

Здание блочно модульной котельной 1 МВт Здание блочно-модульной котельной 1 МВт

Модули монтируются на фундамент и соединяются между собой в единую конструкцию сварными соединениями. После монтажа блоков крепятся фасонные элементы стенового и кровельного ограждения.

Каркас модулей изготавливается из профильной трубы и швеллера, покрытых огнезащитным покрытием для обеспечения требуемого класса огнестойкости.

Стеновое и кровельное ограждение выполняется из панелей типа "сэндвич". Стены и кровля – панели толщиной 100 - 200 мм в зависимости от региона установки блочной котельной установки на угле.

Внутренние поверхности ограждающих конструкций выполнены гладкими и окрашены влагостойкой и огнестойкой краской в светлые тона.

Двери в 1 МВт устанавливаются противопожарные. Одиночное остекление блоков оконных проемов выполняет дополнительную функцию - легкосбрасываемых конструкций. Открывающиеся окна дополнительно выполняют функции приточной вентиляции.

В случае монтажа угольной блочной котельной 1 МВт с закрытым угольным складом между зданием котельной и зданием склада угля требуется установка противопожарной стены 1-го типа.

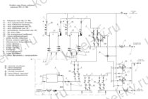
Тепломеханическая схема блочно модульной котельной 1 МВт

Тепловая схема блочно модульной котельной 1 МВт Тепловая схема блочно-модульной котельной 1 МВт

Твердотопливная блочно модульная котельная 1 МВт с ГВС двухконтурная четырехтрубная с двумя независимыми контурами:

  • сеть отопления объединенная с котловым контуром;
  • сеть горячего водоснабжения ГВС с теплобменниками.
Движение воды в сетевом контуре котельной:
  • вода сетевая обратная поступает из теплосети по трубопроводу через фильтры, электромагнитный преобразователь расхода и деаэраторы на циркуляционные насосы сетевого контура;
  • насосами по трубопроводу вода подается в котлы, где нагревается до необходимой температуры;
  • вода по трубопроводу поступает в теплосеть на отопление;
  • часть воды из трубопровода отбирается на собственные нужды отопления и теплоснабжения котельной через арматуру;
  • возврат воды после использования на собственные нужды отопления и теплоснабжения котельной возвращается в трубопровод перед насосами.
    Движение воды в контуре ГВС котельной:
    • вода обратная из контура ГВС поступает по трубопроводу на циркуляционные насосы контура ГВС;
    • насосами по трубопроводу вода подается в теплообменники ГВС, где нагревается до необходимой температуры;
    • вода из теплообменников поступает в контур ГВС потребителю;
    • часть воды из трубопровода отбирается на собственные нужды ГВС.

    Количество тепла, поступающего в теплосеть на отопление, регулируется за счет изменения кочегаром установки температуры измерителя регулятора в соответствии с отопительным графиком и изменения расхода теплоносителя путем автоматического управления работой циркуляционных насосов теплосети с поддержанием постоянной заданной температуры теплоносителя в подающем трубопроводе.

    Бытовые помещения котельной

    По техническому заданию заказчика в состав бытовых помещений котельной на твердом топливе могут входить:

    Бытовые помещения модульной котельной БМК 1 МВт Бытовые помещения котельной БМК 1 МВт

    • инвентарная;
    • туалет;
    • душ;
    • комната приема пищи;
    • комната персонала;
    • комната начальника;
    • гардеробная.

    В предлагаемом типовом варианте угольной котельной предусматриаются помещения  - электрощитовая, комната персонала, туалет, душ, инвентарная, раздевалка. Цена модульной котельной без бытовых помещений существенно ниже.

    Отопление и вентиляция блочной котельной на твердом топливе

    Отопление котельной производится за счет тепла, излучаемого тепломеханическим оборудованием, отопление бытовых помещений и электрощитовой осуществляется за счет радиаторов отопления.

    Для создания допустимых параметров микроклимата во всех помещениях устанавливаются общеобменные приточные и вытяжные системы вентиляции с механическим и естественным побуждением, работающие весь отопительный период. На кровле устанавливаются дефлекторы, обеспечивающие воздухообмен в котельной.

    Выбор принципиальных схем вентиляции в зависимости от режимов работы, расположения и назначения помещении. Способ раздачи воздуха определялся в зависимости от температуры, подвижности в рабочей зоне и высоты раздачи воздуха.

    Электроснабжение котельной

    Электроснабжение водогрейной блочной котельной установки 1 МВт осуществляется от двух независимых источников. По степени надежности электроснабжения электроприемники здания относятся к I категории надежности.

    Электрощитовая модульной котельной 1 МВт Электрощитовая котельной БМК 1 МВт В блочно модульной котельной на твердом топливе предусматривается молниезащита, повторное заземление нулевого провода и защитное уравнивание потенциалов.

    Для ввода, учета и распределения электроэнергии в электрощитовой устанавливается щит ВРУ.

    В предусмотрено раздельное рабочее и аварийное освещение электрощитовой и остальных помещений котельной. Освещение выполнено в соответствии с назначением и характером помещений.

    Аварийное освещение предусмотрено на основных путях эвакуации. Светильники аварийного освещения выделены из общего числа, имеют встроенную аккумуляторную батарею, обеспечивающую автономную работу в течении 3 часов. Управление освещением осуществляется из щитов освещения автоматическими выключателями.

    Сети электропитания выполняются медным кабелем в изоляции, не распространяющей горение для внутренней проводки марки ВВГнг-LS, для наружной проводки КГХЛ.

    Прокладка кабелей в блок модулях выполнена:

    • при прокладке по стенам - в лотке;
    • при наземной прокладке - в стальных трубах.

    На вводе в здание твердотопливной блочной котельной, выполнен контур с сопротивлением растеканию тока R≤10 Ом и мероприятия по уравниванию потенциалов. Контур повторного заземления выполняется из вертикальных заземлителей, соединенных между собой, проложенных в траншее на глубине 0,5 м от поверхности земли.

    В качестве естественного молниеприемника и молниеотвода используются дымовая труба. В зону защиты от прямых ударов молнии попадает здание котельной.

    Контур заземления молниезащиты объединяется с контуром повторного заземления.

    Автоматизация угольной котельной

    Водогрейная угольная блочная котельная установка оснащена приборами и средствами автоматизации в объеме, достаточном для надежной и безаварийной эксплуатации. Оснащение автоматизацией выполнено в соответствии со СП 89.13330.2016 «СНиП II-35-76. Котельные установки» и СП 41-104-2000 «Проектирование автономных источников теплоснабжения».

    Автоматика насосов в модульной котельной БМК 1 МВт Автоматика насосов в котельной БМК 1 МВт

    Управление всеми группами насосов осуществляется в автоматическом режиме, дополнительно предусмотрено ручное управление подпиточными насосами теплосети и сети ГВС.

    Схемой предусматривается световая и звуковая сигнализация при повышении или понижении давления в обратном трубопроводе теплосети и аварийного отключения циркуляционных насосов теплосети, сети ГВС, котлового контура, подпиточных насосов теплосети и сети ГВС. Контроль осуществляется датчиками давления KPI-35 «Danfoss» и контроллерами САУ-У, ТРМ1, ТРМ500, 2ТРМ1.

    Контроль за работой водогрейных котлов КВр 500 КВт с ручными колосниковыми топками осуществляется с помощью щитов управления котлами, оснащенными микропроцессорными измерителями-регуляторами температуры ТРМ500.

    Автоматика котлов в модульной котельной БМК 1 МВт Автоматика котлов в котельной БМК 1 МВт

    Схема защиты водогрейных котлов КВ 0.5 МВт предусматривает автоматическое отключение тягодутьевых установок при:

    • при повышении температуры воды в котле более 115 °С;
    • повышении или понижении давления воды на выходе из котла;
    • уменьшении расхода воды через котел;
    • уменьшении разрежения в топке;
    • неисправности цепей защиты.

    При помощи микропроцессорных измерителей-регуляторов температуры ТРМ500 производится контроль работы водогрейных котлов КВр-0.5, за счет управления работой дутьевого вентилятора, и посредством контроля выходной температуры теплоносителя.

    Контроль за давлением в котлах осуществляется электроконтактными манометрами.

    В здании блочной котельной установки 1 МВт устанавливается сигнализатор СО для контроля уровня концентрации в помещении угарного газа не выше 20 мг/м³.

    По желанию заказчика на сетевом и подпиточном трубопроводе, трубопроводе ГВС предусматривается установка узлов контроля расхода, температуры и давления для осуществления учета мощности котельной.

    Остальные контрольно-измерительные приборы - показывающие.

    Пожарно-охранная сигнализация и средства связи

    Блочно-модульная котельная на твердом топливе 1 МВт комплектуется пожарно-охранной сигнализацией и средствами связи. В состав пожарно-охранной сигнализации входит система светозвукового оповещения персонала, для подключения средств связи в комнате персонала предусмотрены розетки.

    Топливоподача и шлакоудаление угольной

    Подвоз топлива на топливный склад 1 МВт осуществляется автотранспортом.

    Существует два варианта угольного склада. Первый это уголь привозится и складируется на ровной бетонной площадке на спецально выделенном для этого участке - открытой площадке. Второй это закрытый склад хранения угля. Загрузка самосвалом производится сверху, через разьемную крышу, и завозится в котельную через двери. Стоимость закрытого угольного склада в котельной выше, но он обеспечивает сохранность топлива и защищает его от осадков и смерзания.

    Закрытый угольный склад модульной котельной твердотопливной Закрытый угольный склад твердотопливной модульной котельной

    В обоих случаях со склада топлива вручную тачками уголь подается в помещение котельного зала на место временного складирования - на полу перед водогрейными котлами. С места временного складирования уголь подается вручную в топку котла.

    Удаление шлака и золы производится вручную с применением ручного инструмента - шуровки. Транспортировка шлака и золы производится вручную тачками на участок временного хранения перед котельной. Вывоз шлака и золы производится автотранспортом на золошлакоотвал для переработки и утилизации в соответствии с договором на утилизацию промышленных отходов.

    Водоподготовка

    Водно-химический режим должен быть организован в соответствии с требованиями ГОСТ и СП. Для подбора водоподготовительной установки требуется провести химический анализ воды.

    Самым простым типом водоподготовки является коррекционная обработка при помощи установок Комплексон и деаэраторах, установленных на подпитывающих линиях. 

    Газовый тракт

    Удаление образующихся в процессе сжигания дымовых газов производится через газоходы. В системе газоходов за котлом устанавливается золоуловитель и дымосос. После дымососа газы направляются в дымовую трубу.

    Возможна установка дымовой трубы на растяжках или самонесущей. Дымовая труба на растяжках для установки требует больше площади, однако цена блочно модульной котельной 1 МВт на угле с трубой на растяжках более низкая. Если вы ограничены в площади для установки котельной установки, потребуется установка самонесущей трубы.

    Проект модульной котельной

    Проект котельной модульной Проект модульной котельной

    Проект блочной угольной модульной котельной выполняется в соответствии с требованиями Постановления Правительства РФ от 16.02.2008 №87 «О составе разделов проектной документации и требованиях к их содержанию».  Более подробно о проектной документации на модульные котельные вы можете прочитать по ссылке.

    Типовой проект на блочно модульную котельную 1 МВт всегда проходит доработку под конкретный объект, основанием для доработки служит техническое задание заказчика. Учитывая, что срок использования котельной 10 лет и от ее стабильной работы зависит работоспособность всего объекта, к согласованию технического задания нужно подходить максимально внимательно.

    Паспорт модульной котельной, руководство по эксплуатации и проектная документация на котельную передается заказчику с котельной.

    Гарантии изготовителя

    Поставка водогрейных блочно модульных котельных установок 1 МВт на угле осуществляется с завода изготовителя железнодорожным и автомобильным транспортом.

    Выписка из реестра членов саморегулируемой организации Выписка из реестра членов саморегулируемой организации

    Гарантийное обслуживание включает в себя бесплатное устранение скрытых заводских дефектов, замену деталей и узлов вышедших из строя в период гарантийного срока при условии монтажа и эксплуатации оборудования в соответствии с его назначением, технической документацией, техническими нормами, правилами ввода в эксплуатацию и эксплуатации данного оборудования.

    Сертификат соответствия на модульные котельные с 2015 года был упразднен. На сегодняшний день сертификаты выдаются только на здания модулей без внутренней обвязки. Подтверждением надежности и безопасности принятых решений в МКУ является проектная документация, выполненная специализированной организацией являющейся членом проектной СРО.

    На нашем заводе вы можете купить модульную котельную 1 МВт на твердом топливе для отопления производства, жилых зданий, цехов, складов, промышленных предприятий, теплиц, гаражей, больниц, школ, садов и прочего.

    Завод выполняет проектирование, производство, монтаж, шеф монтаж и пуско-наладку блочно модульных котельных 1 МВт в Волгограде и во всех регионах России. Котельные изготавливаются на заводе в срок от 30 дней, монтаж на месте выполняется от 7 до 15 дней, пусконаладка от 7 дней. Срок полезного использования 1 МВт - 10 лет.

    Описание товара

      Купить блочно-модульную котельную 1 мвт в Волгограде

      Для получения консультации укажите номер вашего телефона
      Смотреь обзор на

      ВИДЕО - КАК ПРОИСХОДИТ ПРОИЗВОДСТВО БЛОЧНО МОДУЛЬНЫХ КОТЕЛЬНЫХ МКУ 1 МВт НА НАШЕМ КОТЕЛЬНОМ ЗАВОДЕ. ВСЕГО ЗА 90 СЕКНД ВЫ УВИДИТЕ ВСЕ - ОТ ПРОЕКТА ДО МОНТАЖА!

      Подберите необходимую мощность котельной для вашего объекта
      Тип здания
      Регион
      Населенный пункт
      Вид топлива
      Наружный объем здания (м3)
      Отапливаемый подвал
      Показать подходящие котельные
      Патенты на котельное оборудование

      Патенты

      Смотреть все патенты
      Сертификаты Завода

      Сертификаты

      Смотреть все сертификаты
      Членство в СРО

      Допуски

      Смотреть все допуски
      Отзывы о продукции котельного завода

      Отзывы о продукции котельного завода

      Смотреть все письма
      Аттестованная технология сварки

      Аттестованная технология сварки

      Смотреть все аттестаты
      Цена с НДС
      0